分类

原理:
二维混料机主要由转筒、摆动架、基架三大部分构成。转筒装在摆动架上,由四个滚轮支撑并由两个挡轮对其进行轴向定位,在四个支撑滚轮中,其中两个传动轮由转动动力系统拖动使转筒产生转动,摆动架由一组曲柄摆杆机构来驱动,曲柄摆杆机构装在机架上,摆动架由轴承组件支撑在机架上。
特点:
EYH二维混料机的转筒可同时进行二个运动,一个为转筒的转动,另一个为转筒随摆动架的摆动。被混合物料在转筒内随转筒转动、翻转、混合的同时,又随转筒的摆动而发生左右来回的掺混运动,再这两个运动的共同作用下,物料在短时间内得到充分的混合。EYH二维混料机适合所有粉、粒状物料的混合。 本机广泛用于医药、化工、食品、染料、饲料、化肥、农药等行业尤其适用于大吨位(1000L-10000L)各种固相物料的混合。
本机混合筒在传动的同时又参与摆动,使筒中物料得以充分混合。混合筒的出料口偏离混合筒圆筒部分的中线,使该机具有混合迅速、混合量大,出料便捷等特点。
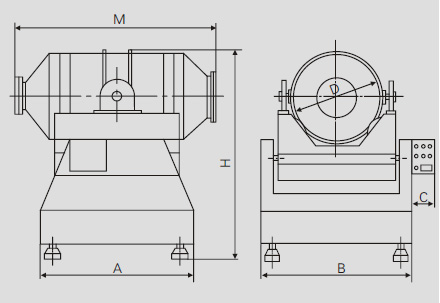
外形示意图: 
技术参数:
型号 | 容积L> | 装料系数 > | 装料重量 > | 外型尺寸mm> | 功率 > | ||||||
A> | B> | C> | D> | M> | H> | 转动 > | 摆动 > | ||||
EYH100> | 100> | 0.5> | 40> | 860> | 900> | 200> | 400> | 1000> | 1500> | 11.1> | 0.75> |
EYH300> | 300> | 0.5> | 75> | 1000> | 1100> | 200> | 580> | 1400> | 1650> | 11.1> | 0.75> |
EYH600> | 600> | 0.5> | 150> | 1300> | 1250> | 240> | 720> | 1800> | 1850> | 1.5> | 1.1> |
EYH800> | 800> | 0.5> | 200> | 1400> | 1350> | 240> | 810> | 1970> | 2100> | 1.5> | 1.1> |
EYH1000> | 1000> | 0.5> | 350> | 1500> | 1390> | 240> | 850> | 2040> | 2180> | 2.2> | 1.5> |
EYH1500> | 1500> | 0.5> | 550> | 1800> | 1550> | 240> | 980> | 2340> | 2280> | 3> | 1.5> |
EYH2000> | 2000> | 0.5> | 750> | 2000> | 1670> | 240> | 1100> | 2540> | 2440> | 3> | 2.2> |
EYH2500> | 2500> | 0.5> | 950> | 2200> | 1850> | 240> | 1160> | 2760> | 2600> | 4> | 2.2> |
EYH3000> | 3000> | 0.5> | 1100> | 2400> | 1910> | 280> | 1220> | 2960> | 2640> | 5> | 4> |
EYH5000> | 5000> | 0.5> | 1800> | 2700> | 2290> | 300> | 1440> | 3530> | 3000> | 7.5> | 5> |
EYH10000> | 10000> | 0.5> | 3000> | 3200> | 2700> | 360> | 1800> | 4240> | 4000> | 15> | 11> |
EYH12000> | 12000> | 0.5> | 4000> | 3400> | 2800> | 360> | 1910> | 4860> | 4200> | 15> | 11> |
EYH15000> | 15000> | 0.5> | 5000> | 3500> | 3000> | 360> | 2100> | 5000> | 4400> | 18.5> | 15> |